

Renesas IPM6220ACAZ-T
Manufacturer No:
IPM6220ACAZ-T
Manufacturer:
Package:
SSOP
Description:
PMIC SSOP
Quantity:
Delivery:




Payment:







In Stock :Available
Price not displayed? Please send an RFQ, and we will respond immediately.
IPM6220ACAZ-T information
Renesas IPM6220ACAZ-T technical specifications, attributes, parameters and parts with similar specifications to Renesas IPM6220ACAZ-T.
- Type
- Parameter
- Mount
- Surface Mount
- Package / Case
- SSOP
- Published
- 2001
- JESD-609 Code
- e3
- Moisture Sensitivity Level (MSL)
- 2 (1 Year)
- Number of Terminations
- 24
- Terminal Finish
- Matte Tin (Sn) - annealed
- Max Operating Temperature
- 85°C
- Min Operating Temperature
- -10°C
- Subcategory
- Switching Regulator or Controllers
- Terminal Position
- DUAL
- Terminal Form
- GULL WING
- Peak Reflow Temperature (Cel)
- 260
- Number of Functions
- 1
- Time@Peak Reflow Temperature-Max (s)
- 40
- Pin Count
- 24
- JESD-30 Code
- R-PDSO-G24
- Number of Outputs
- 5
- Qualification Status
- Not Qualified
- Supply Voltage-Max (Vsup)
- 24V
- Temperature Grade
- OTHER
- Analog IC - Other Type
- ANALOG CIRCUIT
- Control Mode
- CURRENT-MODE
- Frequency - Switching
- 300kHz
Download datasheets and manufacturer documentation for Renesas IPM6220ACAZ-T.
IPM6220ACAZ-T Overview
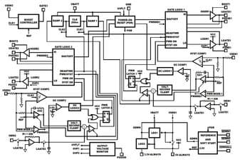
The harley voltage regulator is packaged in SSOP to make voltage regulators' transportation as easy as possible.Voltage regulator supports a total of 5 outputs.In the switching regulator, you can find 24 terminals that are connected to the board.There is one important thing to keep in mind when there is a pinout for a switching regulator and that is pin 24.In order to proceed with the relow soldering, it is necessary to allow the temperature to peak at 260-peak.In addition to the voltage regulator DC to DC, other Switching Regulator or Controllers's play a significant role in the industry as well.The board has a Surface Mount-slot for mounting on PCBs or other types of boards.In order to avoid damaging the voltage regulator DC to DC, you should not feed it with a voltage greater than 24V.It will not work at temperatures lower than -10°C.Temperatures higher than 85°C are not recommended.
IPM6220ACAZ-T Features
5 outputs
Peak Reflow Temperature: 260
IPM6220ACAZ-T Applications
There are a lot of Intersil (Renesas Electronics America)
IPM6220ACAZ-T Linear Regulator Controllers applications.
- Graphic Cards
- Ultra-Low-Dropout
- Voltage Regulators
- Low-Voltage DSP Power Supplies
- Microcontroller Power Supplies
- Motherboards
- Battery Operating Equipment
- Adjustable Supplies
- Switching Power Supplies
- Error Amplifiers
User Guide
Please verify all part numbers, quantities, and packaging preferences before placing your order. If substitutions are acceptable, please indicate this clearly. For time-sensitive projects, confirm estimated delivery dates and stock availability in advance. Once submitted, changes or cancellations may not be possible, especially for items marked as non-cancellable/non-returnable (NCNR). For international shipments, please ensure all import documentation is complete and accurate to avoid delays.
MEANS OF PAYMENTFor your convenience, we accept multiple payment methods in USD, including PayPal, Credit Card, and Wire Transfer. Net terms may be available for qualified customers upon approval.
RFQ (REQUEST FOR QUOTATIONS)Please ensure the part numbers and quantities are accurate and complete when submitting your RFQ.
Provide target prices and acceptable alternatives, if any, to speed up the quotation process.
Quotations are subject to stock availability and may vary with market conditions. Prices and lead times are not guaranteed until a purchase order is confirmed. Ensure your contact details are correct to avoid delays in response.

Step1:Prepare product

Step2:Desiccant Protection

Step3:Vacuum Packaging

Step4:Individual Package

Step5:Anti-collision Filling

Step6:Packaging Box
1. Shipping starts at $40, but some countries will exceed $40. For example (South Africa, Brazil, India, Pakistan, Israel, etc.).
2. Some specific products need to reach the minimum order quantity.
3. It may cost additional remote fees for delivery if you are in a remote area.
Currently, our products are shipped through DHL, FedEx, SF, and UPS.
DELIVERY TIME1. Once the goods are shipped, estimated delivery time depends on the shipping methods you chose: FedEx International, 5-7 business days.
2. For in-stock parts, orders normally could be shipped out within 1-2days.
IPM6220ACAZ-T Relevant information
The following parts are popular search parts in Integrated Circuits (ICs).
AIChipLink – Your Trusted Electronic Components Distributor
12.28 M
Listed Part Number3,000+
Leading Manufacturers4.9 M
In-stock SKU15,000+
Warehouse Area(㎡)







