

Renesas ISL12020MIRZ
Manufacturer No:
ISL12020MIRZ
Manufacturer:
Package:
DFN
Description:
20 Terminations 3V 20 Pin Real Time Clocks 0.032MHz Min 2.7V V Max 5.5V V
Quantity:
Delivery:




Payment:







In Stock :Available
Price not displayed? Please send an RFQ, and we will respond immediately.
ISL12020MIRZ information
Renesas ISL12020MIRZ technical specifications, attributes, parameters and parts with similar specifications to Renesas ISL12020MIRZ.
- Type
- Parameter
- Factory Lead Time
- 7 Weeks
- Contact Plating
- Tin
- Mount
- Surface Mount
- Package / Case
- DFN
- Number of Pins
- 20
- Published
- 2008
- JESD-609 Code
- e3
- Part Status
- Active
- Moisture Sensitivity Level (MSL)
- 1 (Unlimited)
- Number of Terminations
- 20
- ECCN Code
- EAR99
- Max Operating Temperature
- 85°C
- Min Operating Temperature
- -40°C
- HTS Code
- 8542.39.00.01
- Terminal Position
- DUAL
- Peak Reflow Temperature (Cel)
- 260
- Supply Voltage
- 3V
- Terminal Pitch
- 0.5mm
- Pin Count
- 20
- Power Supplies
- 3/5V
- Temperature Grade
- INDUSTRIAL
- Interface
- 2-Wire, I2C, Serial
- Max Supply Voltage
- 5.5V
- Min Supply Voltage
- 2.7V
- Clock Frequency
- 0.032MHz
- Accuracy
- 0.0005 %
- Logic Function
- Clock
- Time Format
- HH:MM:SS
- Non-Volatile Memory
- 128 B
- Date Format
- YY-MM-DD-dd
- Time-Min
- SECONDS
- Interrupt Capability
- Y
- Information Access Method
- I2C
- Height
- 1.3mm
- Length
- 5.5mm
- Width
- 4mm
- REACH SVHC
- No SVHC
- Radiation Hardening
- No
- RoHS Status
- RoHS Compliant
- Lead Free
- Lead Free
Download datasheets and manufacturer documentation for Renesas ISL12020MIRZ.
Datasheets:
ISL12020MIRZ Overview
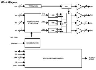
The package DFN contains real time clocks.It is possible to terminate a transmission line with a RTC module that matches the characteristic impedance of the line, which is known as 20 termination.Obviously, a voltage of 3V is being supplied to this electronic component.There are 20 pins on it.For storing data and programs, the RTC times embed a memory of 128B.Real time clocks' output frequency should not exceed 0.032MHz.Surface Mount is the mounting type of the RTC module.There are 3/5V power supplies attached to it.It is equipped with 20 pins.Ideally, the operating temperature should be higher than -40°C.Ideally, the operating temperature should be lower than 85°C.The minimal supply voltage is 2.7V.A maximum supply voltage of 5.5V is used.
ISL12020MIRZ Features
DFN package
20 terminations
20 pin count
3/5V power supplies
ISL12020MIRZ Applications
There are a lot of Intersil (Renesas Electronics America)
ISL12020MIRZ Real Time Clocks applications.
- Portable instruments
- Electronic metering
- Battery powered products
- Automotive
- Industrial
- Digital still camera
- Digital video camera
- Printers
- Copy machines
- Mobile equipment
User Guide
Please verify all part numbers, quantities, and packaging preferences before placing your order. If substitutions are acceptable, please indicate this clearly. For time-sensitive projects, confirm estimated delivery dates and stock availability in advance. Once submitted, changes or cancellations may not be possible, especially for items marked as non-cancellable/non-returnable (NCNR). For international shipments, please ensure all import documentation is complete and accurate to avoid delays.
MEANS OF PAYMENTFor your convenience, we accept multiple payment methods in USD, including PayPal, Credit Card, and Wire Transfer. Net terms may be available for qualified customers upon approval.
RFQ (REQUEST FOR QUOTATIONS)Please ensure the part numbers and quantities are accurate and complete when submitting your RFQ.
Provide target prices and acceptable alternatives, if any, to speed up the quotation process.
Quotations are subject to stock availability and may vary with market conditions. Prices and lead times are not guaranteed until a purchase order is confirmed. Ensure your contact details are correct to avoid delays in response.

Step1:Prepare product

Step2:Desiccant Protection

Step3:Vacuum Packaging

Step4:Individual Package

Step5:Anti-collision Filling

Step6:Packaging Box
1. Shipping starts at $40, but some countries will exceed $40. For example (South Africa, Brazil, India, Pakistan, Israel, etc.).
2. Some specific products need to reach the minimum order quantity.
3. It may cost additional remote fees for delivery if you are in a remote area.
Currently, our products are shipped through DHL, FedEx, SF, and UPS.
DELIVERY TIME1. Once the goods are shipped, estimated delivery time depends on the shipping methods you chose: FedEx International, 5-7 business days.
2. For in-stock parts, orders normally could be shipped out within 1-2days.
ISL12020MIRZ Relevant information
The following parts are popular search parts in Integrated Circuits (ICs).
AIChipLink – Your Trusted Electronic Components Distributor
12.28 M
Listed Part Number3,000+
Leading Manufacturers4.9 M
In-stock SKU15,000+
Warehouse Area(㎡)
.png&w=256&q=75)




