

Renesas ISL62383CHRTZ
Manufacturer No:
ISL62383CHRTZ
Manufacturer:
Package:
Description:
0.4mm PMIC
Quantity:
Delivery:




Payment:







In Stock :Available
Price not displayed? Please send an RFQ, and we will respond immediately.
ISL62383CHRTZ information
Renesas ISL62383CHRTZ technical specifications, attributes, parameters and parts with similar specifications to Renesas ISL62383CHRTZ.
- Type
- Parameter
- Factory Lead Time
- 9 Weeks
- Mount
- Surface Mount
- Published
- 2004
- JESD-609 Code
- e3
- Part Status
- Active
- Moisture Sensitivity Level (MSL)
- 3 (168 Hours)
- Number of Terminations
- 28
- ECCN Code
- EAR99
- Terminal Finish
- Matte Tin (Sn) - annealed
- Max Operating Temperature
- 100°C
- Min Operating Temperature
- -10°C
- Additional Feature
- ALSO OPERATES IN ADJUSTABLE MODE FROM 1.2 TO 5V
- HTS Code
- 8542.39.00.01
- Subcategory
- Switching Regulator or Controllers
- Terminal Position
- QUAD
- Terminal Form
- NO LEAD
- Peak Reflow Temperature (Cel)
- 260
- Number of Functions
- 1
- Terminal Pitch
- 0.4mm
- Time@Peak Reflow Temperature-Max (s)
- 30
- Pin Count
- 28
- JESD-30 Code
- S-PQCC-N28
- Qualification Status
- Not Qualified
- Output Voltage
- 5V
- Temperature Grade
- OTHER
- Analog IC - Other Type
- DUAL SWITCHING CONTROLLER
- Operating Supply Current
- 150?A
- Current - Output
- 100mA
- Voltage - Output
- 5.5V
- Control Mode
- VOLTAGE-MODE
- Input Voltage (Max)
- 25V
- Control Technique
- PULSE WIDTH MODULATION
- Switcher Configuration
- PHASE-SHIFT
- Switching Frequency-Max
- 600kHz
- Length
- 4mm
- Height Seated (Max)
- 0.8mm
- Width
- 4mm
- RoHS Status
- RoHS Compliant
Download datasheets and manufacturer documentation for Renesas ISL62383CHRTZ.
Datasheets:
ISL62383CHRTZ Overview
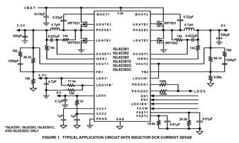
As part of this device, an analog IC DUAL SWITCHING CONTROLLER is used. In total, there has been 28 terminations of this process. There is a peak in the reflow temperature of 260. In total, it consists of 28 pins. In Switching Regulator or Controllers, this device is included. A supply current of 150?A powers the device. Based on the Surface Mount method, it is mounted. A nominal input voltage of 12V is designed to meet its functioning requirements. Voltage remains constant at 5V. There are also some other characteristics associated with it such as ALSO OPERATES IN ADJUSTABLE MODE FROM 1.2 TO 5V. Operating temperatures must be lower than 100°C. In order to operate, the temperature should be greater than -10°C. At maximum switching frequency, the device can operate on 600kHz.
ISL62383CHRTZ Features
Switching Regulator or Controllers subcategory
Input voltage of 12V
Minimum temperature of -10°C
ISL62383CHRTZ Applications
There are a lot of Intersil (Renesas Electronics America)
ISL62383CHRTZ Power Supply Control ICs applications.
- Smart home
- User-available push-button control panel
- Computer monitor
- Touch screen
- Remote control
- Projector
- Visualizer
- DVD player
- VCR
- Deck
User Guide
Please verify all part numbers, quantities, and packaging preferences before placing your order. If substitutions are acceptable, please indicate this clearly. For time-sensitive projects, confirm estimated delivery dates and stock availability in advance. Once submitted, changes or cancellations may not be possible, especially for items marked as non-cancellable/non-returnable (NCNR). For international shipments, please ensure all import documentation is complete and accurate to avoid delays.
MEANS OF PAYMENTFor your convenience, we accept multiple payment methods in USD, including PayPal, Credit Card, and Wire Transfer. Net terms may be available for qualified customers upon approval.
RFQ (REQUEST FOR QUOTATIONS)Please ensure the part numbers and quantities are accurate and complete when submitting your RFQ.
Provide target prices and acceptable alternatives, if any, to speed up the quotation process.
Quotations are subject to stock availability and may vary with market conditions. Prices and lead times are not guaranteed until a purchase order is confirmed. Ensure your contact details are correct to avoid delays in response.

Step1:Prepare product

Step2:Desiccant Protection

Step3:Vacuum Packaging

Step4:Individual Package

Step5:Anti-collision Filling

Step6:Packaging Box
1. Shipping starts at $40, but some countries will exceed $40. For example (South Africa, Brazil, India, Pakistan, Israel, etc.).
2. Some specific products need to reach the minimum order quantity.
3. It may cost additional remote fees for delivery if you are in a remote area.
Currently, our products are shipped through DHL, FedEx, SF, and UPS.
DELIVERY TIME1. Once the goods are shipped, estimated delivery time depends on the shipping methods you chose: FedEx International, 5-7 business days.
2. For in-stock parts, orders normally could be shipped out within 1-2days.
ISL62383CHRTZ Relevant information
The following parts are popular search parts in Integrated Circuits (ICs).
AIChipLink – Your Trusted Electronic Components Distributor
12.28 M
Listed Part Number3,000+
Leading Manufacturers4.9 M
In-stock SKU15,000+
Warehouse Area(㎡)






