

Renesas ISL97656IRTZ-T
Manufacturer No:
ISL97656IRTZ-T
Manufacturer:
Package:
Description:
10 Terminals 10-Pin DC DC Voltage Regulator SWITCHING REGULATOR 1 Outputs 1.2MHz Tape & Reel 4A
Quantity:
Delivery:




Payment:







In Stock :Available
Price not displayed? Please send an RFQ, and we will respond immediately.
ISL97656IRTZ-T information
Renesas ISL97656IRTZ-T technical specifications, attributes, parameters and parts with similar specifications to Renesas ISL97656IRTZ-T.
- Type
- Parameter
- Factory Lead Time
- 6 Weeks
- Mount
- Surface Mount
- Number of Pins
- 10
- Packaging
- Tape & Reel
- Published
- 2001
- JESD-609 Code
- e3
- Part Status
- Active
- Moisture Sensitivity Level (MSL)
- 3 (168 Hours)
- Number of Terminations
- 10
- ECCN Code
- EAR99
- Terminal Finish
- Matte Tin (Sn) - annealed
- Max Operating Temperature
- 85°C
- Min Operating Temperature
- -40°C
- Subcategory
- Switching Regulator or Controllers
- Terminal Position
- DUAL
- Peak Reflow Temperature (Cel)
- 260
- Number of Functions
- 1
- Terminal Pitch
- 0.5mm
- Time@Peak Reflow Temperature-Max (s)
- 30
- Pin Count
- 10
- Number of Outputs
- 1
- Output Type
- Adjustable
- Max Output Current
- 2A
- Operating Supply Voltage
- 5.5V
- Temperature Grade
- INDUSTRIAL
- Analog IC - Other Type
- SWITCHING REGULATOR
- Current - Output
- 4A
- Quiescent Current
- 700μA
- Voltage - Output
- 25V
- Topology
- Boost
- Min Input Voltage
- 2.3V
- Control Mode
- CURRENT-MODE
- Frequency - Switching
- 1.2MHz
- Max Input Voltage
- 5.5V
- Control Technique
- PULSE WIDTH MODULATION
- Height Seated (Max)
- 0.8mm
- Width
- 3mm
- Radiation Hardening
- No
- RoHS Status
- RoHS Compliant
Download datasheets and manufacturer documentation for Renesas ISL97656IRTZ-T.
ISL97656IRTZ-T Overview
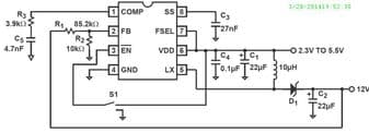
For optimal performance, this voltage regulator makes use of the Tape & Reel package. In this voltage regulator, there are a total of 10 terminations. There is one type of analog IC that this voltage regulator is equipped with, and that is the SWITCHING REGULATOR type. There are 1 outputs configured on this voltage regulator 12v. There are output pins on this DC DC switching regulator that generate Adjustable output. This DC-DC switching regulator has a switching frequency of 1.2MHz. It features maximum design flexibility due to dc to dc voltage regulator's 4A output current. 260 is essentially indestructible due to DC DC switching regulator's peak reflow temperature. In order to meet the operation requirements,voltage regulator is designed to provide a nominal input voltage of 3V. There is a subcategory called Switching Regulator or Controllers that includes this voltage regulator. There are 10 pins that are used for the operation of the voltage regulator 12v. The maximum output current reaches 2A A to meet the switching regulator operation requirements. 5.5V is the supply voltage for this DC-DC switching regulator. Despite external influences, voltage regulator consumes 700μA A of quiescent current. The high-limit maximum operating temperature 85°C allows harley voltage regulator stable operation. To ensure reliability, harley voltage regulator operates at a minimum operating temperature of -40°C. Input voltages as low as 2.3V can be used for DC DC switching regulator. It is designed to sustain a dc to dc voltage regulator's maximum 5.5V input voltage. There are 10 pins on this DC-DC switching regulator. The DC DC switching regulator's voltage output is 25V.
ISL97656IRTZ-T Features
1 outputs
Peak reflow temperature (Cel) of 260
10 pins
Operating supply voltage of 5.5V
ISL97656IRTZ-T Applications
There are a lot of Intersil (Renesas Electronics America)
ISL97656IRTZ-T Voltage Regulators applications.
- Servo drive system
- Digital display device
- Linear guide
- Ball screw pair
- Computer application technology
- Network technology
- Automation technology
- CMM
- Various precision measuring instruments
- Various precision measuring detectors
User Guide
Please verify all part numbers, quantities, and packaging preferences before placing your order. If substitutions are acceptable, please indicate this clearly. For time-sensitive projects, confirm estimated delivery dates and stock availability in advance. Once submitted, changes or cancellations may not be possible, especially for items marked as non-cancellable/non-returnable (NCNR). For international shipments, please ensure all import documentation is complete and accurate to avoid delays.
MEANS OF PAYMENTFor your convenience, we accept multiple payment methods in USD, including PayPal, Credit Card, and Wire Transfer. Net terms may be available for qualified customers upon approval.
RFQ (REQUEST FOR QUOTATIONS)Please ensure the part numbers and quantities are accurate and complete when submitting your RFQ.
Provide target prices and acceptable alternatives, if any, to speed up the quotation process.
Quotations are subject to stock availability and may vary with market conditions. Prices and lead times are not guaranteed until a purchase order is confirmed. Ensure your contact details are correct to avoid delays in response.

Step1:Prepare product

Step2:Desiccant Protection

Step3:Vacuum Packaging

Step4:Individual Package

Step5:Anti-collision Filling

Step6:Packaging Box
1. Shipping starts at $40, but some countries will exceed $40. For example (South Africa, Brazil, India, Pakistan, Israel, etc.).
2. Some specific products need to reach the minimum order quantity.
3. It may cost additional remote fees for delivery if you are in a remote area.
Currently, our products are shipped through DHL, FedEx, SF, and UPS.
DELIVERY TIME1. Once the goods are shipped, estimated delivery time depends on the shipping methods you chose: FedEx International, 5-7 business days.
2. For in-stock parts, orders normally could be shipped out within 1-2days.
ISL97656IRTZ-T Relevant information
The following parts are popular search parts in Integrated Circuits (ICs).
AIChipLink – Your Trusted Electronic Components Distributor
12.28 M
Listed Part Number3,000+
Leading Manufacturers4.9 M
In-stock SKU15,000+
Warehouse Area(㎡)







